Standard Information IEC61000-4-4 Ed.3 Test Standard Overview
NoiseKen1. General
The Test Standard for evaluating immunity of electric / electronic equipment when they are interfered by fast transient repetitive bursts which are generated by break of inductive load equipment or bounds of relay contact point.
2. Test Levels

3. Burst Generator and Waveform Verification
Circuit diagram of a fast transient/burst generator


Waveshape of a single pulse into a 50 Ω load

Waveshape of a single pulse into a 1 kΩ load

Pulse waveshape into a 50Ω load and general graph of a fast transient/burst
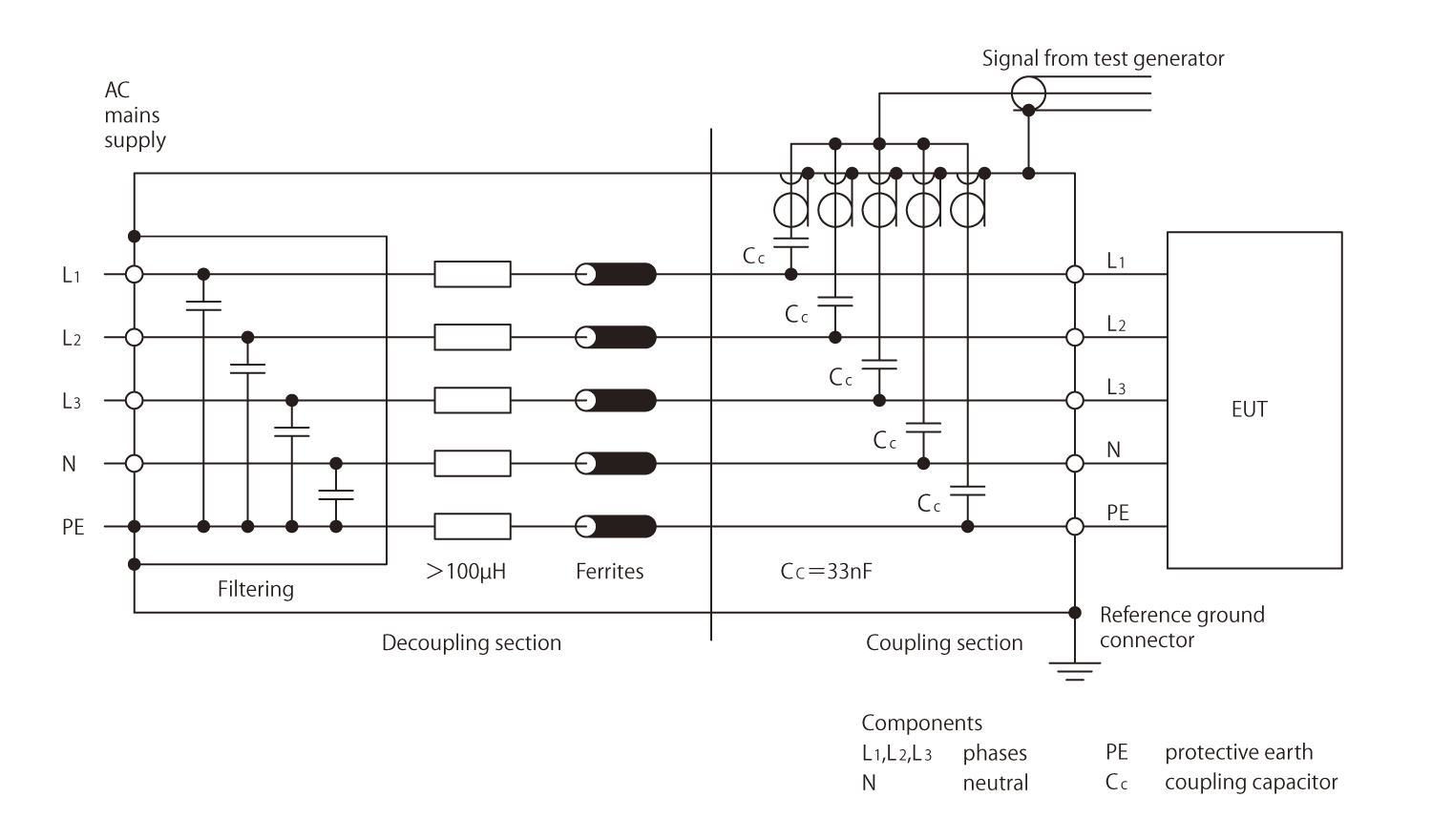
■ CDN for AC/DC power mains supply ports/terminals FNS-AX4 allows injection to All Phasesand to an arbitrary phase

■ Structure and dimensions of Capacitive coupling clamp for signal and control lines

4. Test Setup
■ Test Method to Power Supply Lines
① Put the simulator onto ground reference plane which is connected to the protective ground and connect SG terminal on the front panel to the ground reference plane.
② Place an insulating support (10cm thick) onto the ground reference plane and put EUT on the support (so that the EUT can be isolated from the ground reference plane).
③ Connect LINE OUTPUT on the front panel of the simulator to EUT with a cable (keep distance of 50 cm for Table-Top EUT, and 1m for Floor-Standing EUT) and start operation of EUT.
④ Set the required test conditions (like the burst voltage, etc.) and start the test.
In case of table top EUT

In the case of a floor-standing EUT

■ Test Method to Signal or Control Lines
① Put the simulator onto ground reference plane which is connected to the protective ground and connect SG terminal on the front panel to the ground reference plane.
② Place the coupling clamp (Option) onto the ground reference plane.
③ Connect PULSE OUT port to connector of the coupling clamp.
④ Pass the line cable through the coupling clamp. Adjust the clamping part so that the coupling capacity can be largest (space between the cable and clamp can be minimum).
⑤ Cover the coupling clamp for preventing the electrical shock, set the required test conditions (like the burst voltage, etc.)


5. Test Procedure
The test shall be carried out on the basis of a test plan that shall include the verification of the performances of the EUT as defined in the technical specification.
・Type of test that will be carried out;
・Test level;
・Polarity of the test voltage (both polarities are mandatory);
・Internal or external generator;
・Duration of the test (not less than 1 min);
・Number of applications of the test voltage;
・EUT’s ports to be tested;
・Representative operating conditions of the EUT;
・Sequence of application of the test voltage to the EUT’s ports;
・Auxiliary equipment;
6. Evaluation of Test Results and Test Report
Classify tests results as below in terms of specifications and operating conditions of EUT.
1) Normal performance within limits specified by the manufacturer, requestor or purchaser;
2) Temporary loss of function or degradation of performance which ceases after the disturbance ceases, and from which the equipment under test recovers its normal performance, without operator intervention;
3) Temporary loss of function or degradation of performance, the correction of which requires operator intervention;
4) Loss of function or degradation of performance which is not recoverable, owing to damage to hardware or software, or loss of data.
Notes: This test procedure and test set-up are extracted from IEC61000-4-4 Ed.3 (2012) and JIS C 61000-4-4 standards for applying to our products.Please refer to the Standards if more details are required.
■ Test Method using various clamps (outside of IEC 61000-4-4 compliance testing)
Test Method using Fast Transient / Burst Simulator
① Place the simulator onto the ground plane which is connected to the protective earth and connect SG terminal on the front panel to the ground plane.
② Connect power cable (Standard accessory) to AC IN on the back of the simulator.
③ Place coupling adaptor CA-805B (Option) onto the ground plane and connect G terminal on side connector part of the clamp to the ground plane.
④ Connect PULSE OUT connector on the front of the simulator to connector of the adaptor.(Pay due attention so that no high voltage is being output during the connection)
⑤ Clamp the interconnection lines to be tested with the adaptor.
⑥ Set the test conditions like the coupling voltage, etc. , by the touch-panel on the simulator and start the test.

■ Waveform Verification on 50Ω load (Using waveform verification attenuator 00-00017A)
① Connect between input of waveform verification attenuator 00-00017A and PULSE OUT of the test equipment using coaxial cable comes with the attenuator (HN(P)-NMHV(P)).Also connect between oscilloscope input and output connector of the attenuator using coaxial cable comes with the test equipment (N(P)-BNC(P)).Add an attenuator to the oscilloscope if necessary.
② Input impedance of oscilloscope shall be set to 50 ohm because output impedance of 00-00017A is 50 ohm.
③ START the test equipment generator.

■ Waveform Verification on 1kΩ load (Using Waveform verification attenuator 00-00018A)
①Directly connect the input of waveform verification attenuator 00-00018A and PULSE OUT of the test equipment.Also connect between oscilloscope input and output connector of the attenuator using the coaxial cable included with the test equipment (N(P)-BNC(P)).Add an attenuator to oscilloscope if necessary.
② Input impedance of oscilloscope shall be set to 50 ohm because output impedance of 00-00017A is 50 ohm.
③ START the test equipment generator.

■ Waveform verification at EUT LINE OUT (Using 02-00151A and 00-00017A)
① Use the waveform verification connector(02-00151A) included with the FNS-AX4 onto EUT LINE OUTPUT and ground reference socket.
② Set the simulator to inject all phases and verify waveform of each OUTPUT LINE.
③ Insert the waveform verification connector straight onto EUT LINE OUTPUT connector and ground reference socket next to the connector. Be sure to insert deep and secure.
④ Connect between input connectors of waveform verification attenuator 00-00017A and the waveform verification adapter using the coaxial cable included with the attenuator (HN(P)-NMHV(P)).Also connect between oscilloscope input and output connector of the attenuator using coaxial cable comes with the test equipment (N(P)-BNC(P)).Add an attenuator to the oscilloscope if necessary.
⑤ Input impedance of oscilloscope shall be set to 50 ohm because output impedance of 00-00017A is 50 ohm.
⑥ START the test equipment generator.

02-00151A adapter mounted onto L2(N,-) port of EUT LINE OUTPUT








